Yueqing Tongda Wire Electric Factory esindustootena, mis hõlmab põhistandardi ja kohandamise integreerimist, 5A kõrgtemperatuuriline mikrolüliti tavaliselt avatud ja tavaliselt suletud printeritele on loodud "stabiilsuse, töökindluse ja stseeni ühilduvuse" põhiprintsiipidega. See hõlmab ettevõtte 35-aastast kogemust lülitite tootmise valdkonnas, saavutades elektrilise jõudluse, kaitsetasemete ja kasutajakogemuse mitmekordse optimeerimise. Lüliti on laialdaselt rakendatav sellistes stsenaariumides nagu nutikas kodu elektrijaotus, tööstuslikud abiseadmed ja väikesed meditsiiniinstrumendid, muutes selle eelistatud vooluahela juhtimiskomponendiks, mis tasakaalustab universaalsuse ja kohandamispotentsiaali.
MikrolülitiSissejuhatus
Mikrolülitid (tuntud ka kui kiirlülitid) kasutavad vedruga mehhanismi, et saavutada kohene aktiveerimine – aeglane vajutamine pole vajalik. Nad saavad kontaktid kiiresti avada või sulgeda, tagades viivituseta stabiilse jõudluse. Ostjatele tähendab see suuremat vastupidavust (kontaktide kulumise vähendamine) ja täpsust, aidates vältida lülitite kinnikiilumisest tulenevaid ohutusriske.
Järgmised on peamised tootmisetapid, mida ostjad peavad toote kvaliteedi hindamiseks mõistma:
1. Komponentide tootmine: täpselt töödeldud metallkontaktid ja vedrud; vastupidav korpus (plast/metallmaterjalid).
2. Kokkupanek: vedrude, kontaktide ja täiturmehhanismide täpne kokkupanek, et vältida jõudluse mõjutamist.
3. Testimine: Range testimine (tuhanded pressitestid, elektrilise järjepidevuse testid), et tagada töökindlus.
4. Pakend: kaitsev pakend hõlpsaks transportimiseks, spetsifikatsioonide selge märgistusega.
MikrolülitiRakendus
Mikrolüliteid kasutatakse laialdaselt ja need on töökindlad, peamiselt kasutatakse:
- Kodumasinad: külmiku valgustid, mikrolaineahju ukselukud, pesumasina kaane lülitid ja rösteri taimerid.
- Tööstuslikud seadmed: konveierilintide, masinate ja juhtpaneelide jaoks sobivad raskeveokite mudelid (tolmu- ja niiskuskindlad).
- Autotööstus: klaasipuhastid, ukseavatuse indikaatorid – taluvad vibratsiooni ja äärmuslikke temperatuure.
- Elektroonilised seadmed: miniatuursed lülitid kaugjuhtimispultide ja mängukontrollerite jaoks (reageerivad ja kauakestvad).
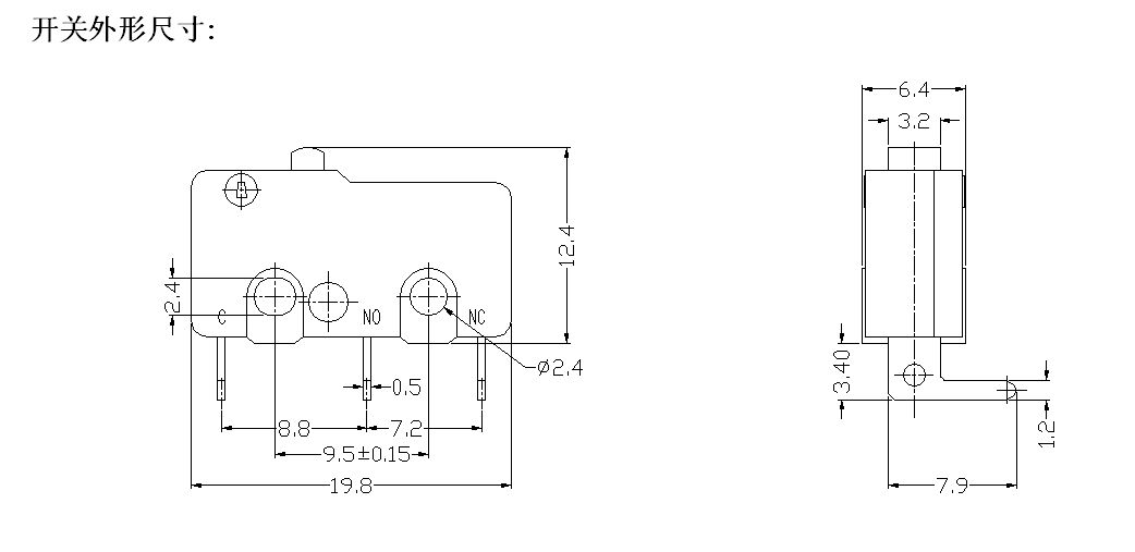
Mikrolüliti Spetsifikatsioon
| Lüliti tehnilised omadused: | |||
| ITEM | Tehniline parameeter | Väärtus | |
| 1 | Elektriline reiting | 5(2)A 125V/250VAC 10(3)125V/250VAC | |
| 2 | Kontakti takistus | ≤50mΩ Algväärtus | |
| 3 | Isolatsioonitakistus | ≥100MΩ (500VDC) | |
| 4 |
Dielektriline Pinge |
vahel ühendamata terminalid |
500V/0,5mA/60S |
| Terminalide vahel ja metallraam |
1500V/0,5mA/60S | ||
| 5 | Elektriline eluiga | ≥10 000 tsüklit | |
| 6 | Mehaaniline eluiga | ≥100 000 tsüklit | |
| 7 | Töötemperatuur | -25-125 ℃ | |
| 8 | Töösagedus | Elektriline: 15 tsüklit Mehaaniline: 60 tsüklit |
|
| 9 | Vibratsioonikindel | Vibratsiooni sagedus: 10 ~ 55 HZ; Amplituud: 1,5 mm; Kolm suunda: 1H |
|
| 10 | Jootmisvõime: Rohkem kui 80% sukeldatud osast tuleb katta joodisega |
Jootetemperatuur: 235±5 ℃ Sukeldumisaeg: 2-3S |
|
| 11 | Joote kuumakindlus | Sukeljootmine: 260±5℃ 5±1S Käsitsi jootmine: 300±5℃ 2~3S |
|
| 12 | Ohutuskinnitused | UL, CSA, VDE, ENEC, CE | |
| 13 | Testimistingimused | Ümbritsev temperatuur: 20±5 ℃ Suhteline õhuniiskus: 65±5%RH Õhurõhk: 86 ~ 106 KPa |
|
Tongda traat elektriline Mikro-USB sisemine toitelüliti Üksikasjad

