Yueqing Tongda Wire Electric Factory on professionaalne vastupidav mikrolüliti koos press-sobitamise ja jootmislehtedega ettevõttena, millel on 35-aastane kogemus lülitite tootmises, ja keskendub nõudluspõhisele kohandamisele, ohutust tagavale tehnoloogiale ning keskendub põhitoodetele, nagu klahvlülitid, punase nupuvajutused, tööstuslikud nutikad lülitid, kohandatud NO/NC, ja nutilülitid. kodu-, meditsiini- ja merendussektoris. Tänu tehnoloogilisele uuendusele ja rangele kvaliteedikontrollile on sellest saanud kohandatud lülitite valdkonna etalon.
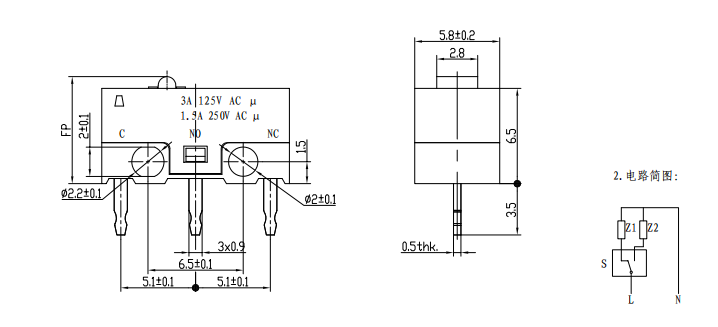
Mikrolüliti tutvustus

Mikrolüliti parameeter (spetsifikatsioon)
| ITEM | Peamised tehnilised parameetrid |
| 1 | Elektrivõimsus: 3A 250VAC |
| 2 | Elektriline eluiga: Min.10000 tsüklit |
| 3 | Kontakti takistus: <50 mΩ |
| 4 | Tööjõud: 70±20gf |
| 5 | Vaba asend: 7,3±0,2 mm |
| 6 | Tööasend: 7,0±0,2 mm |
| 7 | Ümbritsev temperatuur: T85° |
| 8 | Talub pinget: klemmi ja klemmi vahel 500V/5S/5mA; |
| Klemmide ja korpuse vahel 1500/5S/5mA | |
| 9 | Isolatsioonitakistus:>100MΩ Testpinge 500VDC |
| 10 | Tõestusjälgimisindeks PTI: 175 V |
Mikrolüliti üksikasjad
