Yueqing Tongda kaabelelektrijaama esindustootena, mis hõlmab põhistandardi ja kohandamise integreerimist, on gaasi-veesoojendi ja gaasipliidi mikrolüliti lüliti loodud "stabiilsuse, töökindluse ja stseeni ühilduvuse" põhiprintsiipidega. See hõlmab ettevõtte 35-aastast kogemust lülitite tootmise valdkonnas, saavutades elektrilise jõudluse, kaitsetasemete ja kasutajakogemuse mitmekordse optimeerimise. Lüliti on laialdaselt rakendatav sellistes stsenaariumides nagu nutikas kodu elektrijaotus, tööstuslikud abiseadmed ja väikesed meditsiiniinstrumendid, muutes selle eelistatud vooluahela juhtimiskomponendiks, mis tasakaalustab universaalsuse ja kohandamispotentsiaali.
MikrolülitiSissejuhatus
Lüliti HK-04G-L keskendub peamiste parameetrite praktilistele nõuetele, mis vastab erinevate stsenaariumide põhilistele juhtimisstandarditele. Kontaktid on valmistatud hõbeda-tina sulamist ja töödeldud täppiskeevitusega, mille esialgne kontakttakistus on ≤8mΩ. See suudab usaldusväärselt kanda 10A–16A vahelduvvoolu (nimipinge 250 V vahelduvvool), mis sobib enamiku majapidamis- ja väikeste tööstusseadmete võimsusvajadustega, vältides tõhusalt voolu ülekoormusest tingitud kontakti ülekuumenemise või erosiooni probleeme.
Päästiku ja tööea jõudlus on võrdselt usaldusväärsed: see kasutab nookuritüüpi päästikustruktuuri, mille survekäik on 1,3–1,6 mm ja tööjõudu reguleeritakse vahemikus 1,5–3 N. Aktiveerimise tagasiside on selge ja sujuv, mistõttu igapäevasel kasutamisel on ebatõenäoline, et "reageerimata vajutamine". Mehaaniline eluiga ulatub 80 000 pressimistsüklini ja elektriline eluiga ületab 50 000 tsüklit. Kõrgsageduslikes seadmetes, nagu külmikud, väikesed ventilaatorid ja kaubanduslikud printerid, võib see saavutada stabiilse töö 3-5 aastat.
Keskkonnaga kohanemisvõime vastab tavapärastele stsenaariuminõuetele: Toode töötab temperatuurivahemikus -30°C kuni 80°C, talub põhjapoolsetel talvedel madalaid temperatuure ja suvel soojuse hajumise tingimusi; isolatsioonitakistus on ≥50MΩ (500VDC) ja klemmipinge vastupidavus ulatub 800V vahelduvvooluni, mis vastab kodumajapidamises ja kommertskasutuses kasutatavatele elektriohutuse standarditele. Lisaks on korpus valmistatud leegiaeglustavast ABS-materjalist (vastab standardile UL94 V-1), mis vähendab vooluahela lühistest põhjustatud ohutusriske.
MikrolülitiRakendus
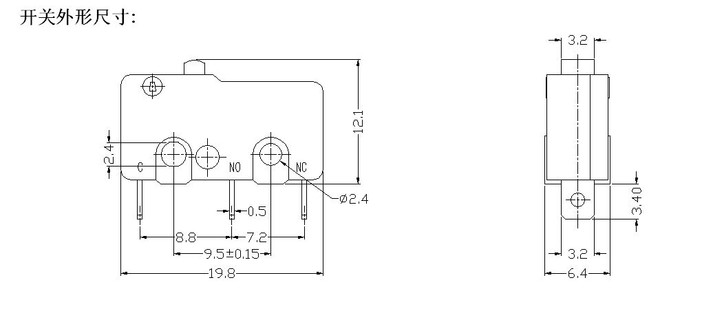
Targa kodu ja majapidamise stsenaariumide korral saab HK-04G-L oma kompaktse suurusega (umbes 20 × 15 × 10 mm, L × L × K) hõlpsasti integreerida nutikatesse jaotuskastidesse, seinale kinnitatavatesse pistikupesadesse ja väikeste seadmete juhtpaneelidesse. Sellest on praegu saanud komponent, mida kasutavad mitmed kodumaised nutikodu kaubamärgid selliste funktsioonide jaoks nagu valgustuse juhtimine ja seadme toitelülitamine. Üks kaubamärk teatas, et sellega varustatud toodete rikete määr on 40% madalam kui traditsioonilistel lülititel.
Väikesemahuliste tööstuslike ja kaubanduslike stsenaariumide korral sobib toode väikeste konveierseadmete, kaubanduslike kohvimasinate, kontoriprinterite ja muude seadmete võimsuse juhtimiseks. Optimeerides terminali ühendusstruktuuri, toetab see kiiret juhtmestiku paigaldamist, suurendades seadme kokkupaneku efektiivsust. Varem vastas kommertsseadmete tootjate kohandatud versioon terminalide vahekauguse reguleerimise kaudu nende seadmete kompaktsetele sisemistele juhtmestiku nõuetele, parandades paigaldamise efektiivsust 25%.
Mikrolüliti Spetsifikatsioon
| Lüliti tehnilised omadused: | |||
| ITEM | Tehniline parameeter | Väärtus | |
| 1 | Elektriline reiting | 5(2)A 125V/250VAC 10(3)125V/250VAC | |
| 2 | Kontakti takistus | ≤50mΩ Algväärtus | |
| 3 | Isolatsioonitakistus | ≥100MΩ (500VDC) | |
| 4 |
Dielektriline Pinge |
vahel ühendamata terminalid |
500V/0,5mA/60S |
| Terminalide vahel ja metallraam |
1500V/0,5mA/60S | ||
| 5 | Elektriline eluiga | ≥10 000 tsüklit | |
| 6 | Mehaaniline eluiga | ≥100 000 tsüklit | |
| 7 | Töötemperatuur | -25-125 ℃ | |
| 8 | Töösagedus | Elektriline: 15 tsüklit Mehaaniline: 60 tsüklit |
|
| 9 | Vibratsioonikindel | Vibratsiooni sagedus: 10 ~ 55 HZ; Amplituud: 1,5 mm; Kolm suunda: 1H |
|
| 10 | Jootmisvõime: Rohkem kui 80% sukeldatud osast tuleb katta joodisega |
Jootetemperatuur: 235±5 ℃ Sukeldumisaeg: 2-3S |
|
| 11 | Joote kuumakindlus | Sukeljootmine: 260±5℃ 5±1S Käsitsi jootmine: 300±5℃ 2~3S |
|
| 12 | Ohutuskinnitused | UL, CSA, VDE, ENEC, CE | |
| 13 | Testimistingimused | Ümbritsev temperatuur: 20±5 ℃ Suhteline õhuniiskus: 65±5%RH Õhurõhk: 86 ~ 106 KPa |
|
Tongda traat elektriline Mikro-USB sisemine toitelüliti Üksikasjad

