Yueqing Tongda Wire Electric Factory mikrolülitite seeria etalonmudelina on kõrge temperatuuriga 16A 250 V kõrge vooluga mikrolaineahju mikrolüliti HK-14 põhieelisteks "kõrge tundlikkus, ülipikk eluiga ja mitme stsenaariumiga kohandatavus". Integreerides ettevõtte 35-aastase lülitite tootmise kogemuse, on see tänu oma minimaalsele kontaktivahele ja kiire toimimismehhanismile muutunud kodumasinate, autoelektroonika, tööstusautomaatika ja muude valdkondade võtmekomponentideks. Selle jõudlust ja usaldusväärsust on sertifitseerinud mitmed autoriteetsed organisatsioonid kogu maailmas, tagades selle peavoolu positsiooni nišiturul.
Mikrolüliti tutvustus
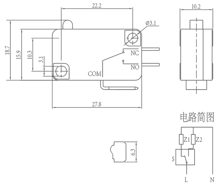
HK-14 seeria pakub väga paindlikke kohandamisvõimalusi, et vastata erinevate rakenduste nõuetele. Tööjõudu saab kohandada (alla 5,0 N hoobadeta olekus, tavaliselt 30 ± 15 gf), töökäigu vahemikuga 0,6–1,5 mm, kohandades erinevaid päästikujõu ja nihke stsenaariume. Kangi stiilid on kohandatavad, sealhulgas sirged hoovad, painutatud hoovad ja rullhoovad, et need sobiksid erinevate mehaaniliste jõuülekandestruktuuridega. Kontaktitüüpide hulka kuuluvad SPDT (1NO+1NC), NO ja NC, mis katavad kogu vahemiku, et vastata üksikjuhtimise, blokeerimise ja muude vooluahela projekteerimise vajadustele.
Paigaldus- ja kasutusjuhised
Paigaldamisel tuleb lüliti paigaldada tasasele pinnale ja kinnitada tasase seibi või vedruseibiga, et vältida ebatasastest pindadest põhjustatud rikkeid või korpuse kahjustusi. Valige mudelid keskkonnast lähtuvalt: niiskete või tolmuste tingimuste korral on kaitse tugevdamiseks soovitatav kasutada suletud kohandatud versiooni. Ärge kandke nuppu või täiturmehhanismi määrdeõliga, et vältida kontaktide kleepumist, talitlushäireid või isegi läbipõlemist. Hoiustamise ajal hoidke toodet kuivas, ventileeritavas kohas, kaitstuna vihma või lume eest ning vältige kõrget temperatuuri ja niiskust, mis võivad põhjustada komponentide vananemist, tagades toote esialgse toimivuse.
Mikrolüliti parameeter (spetsifikatsioon)
| Lüliti tehnilised omadused: | |||
| ITEM | Tehniline parameeter | Väärtus | |
| 1 | Elektriline reiting | 5(2)A/10A/16(3)A/21(8)A 250VAC | |
| 2 | Kontakti takistus | ≤30mΩ Algväärtus | |
| 3 | Isolatsioonitakistus | ≥100MΩ (500VDC) | |
| 4 |
Dielektriline Pinge |
vahel ühendamata terminalid |
1000V/0,5mA/60S |
|
Terminalide vahel ja metallraam |
3000V/0,5mA/60S | ||
| 5 | Elektriline eluiga | ≥50 000 tsüklit | |
| 6 | Mehaaniline eluiga | ≥1000000 tsüklit | |
| 7 | Töötemperatuur | -25-125 ℃ | |
| 8 | Töösagedus |
elektriline: 15 tsüklit Mehaaniline: 60 tsüklit |
|
| 9 | Vibratsioonikindel |
Vibratsiooni sagedus: 10 ~ 55 HZ; Amplituud: 1,5 mm; Kolm suunda: 1H |
|
| 10 |
Jootmisvõime: Rohkem kui 80% sukeldatud osast tuleb katta joodisega |
Jootetemperatuur: 235±5 ℃ Sukeldumisaeg: 2-3S |
|
| 11 | Joote kuumakindlus |
Sukeljootmine: 260±5℃ 5±1S Käsitsi jootmine: 300±5℃ 2~3S |
|
| 12 | Ohutuskinnitused | UL, CSA, VDE, ENEC, TUV, CE, KC, CQC | |
| 13 | Testimistingimused |
Ümbritsev temperatuur: 20±5 ℃ Suhteline õhuniiskus: 65±5%RH Õhurõhk: 86 ~ 106 KPa |
|
Mikrolüliti funktsioon ja rakendus
Mikrolüliti üksikasjad
