Sõltumatu kahepooluselise piirireisilüliti on automaatne juhtkomponent, mille käivitab mehaaniline liikumine. Selle põhifunktsioon on objekti nihke või löögi tuvastamine vooluahelate avamise ja sulgemise, seadmete alguse ja peatumise või piiramise kaitse saavutamiseks. See on hädavajalik „ohutus Sentinel” ja „tegevusülem” tööstusautomaatika ja elektromehaaniliste seadmete alal.
Vahetama Sissejuhatususin
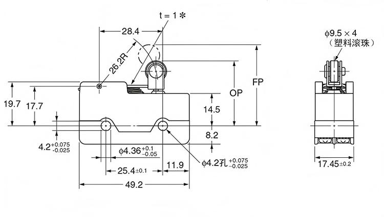
Reisilüliti (tuntud ka kui piirlüliti) on automaatne juhtkomponent, mille käivitab mehaaniline liikumine. Selle põhifunktsioon on objekti nihke või löögi tuvastamine vooluahelate avamise ja sulgemise, seadmete alguse ja peatumise või piiramise kaitse saavutamiseks. See on hädavajalik „ohutus Sentinel” ja „tegevusülem” tööstusautomaatika ja elektromehaaniliste seadmete alal.
Vahetama Rakendusoma
Rakendus koduseadmete ja nutika kodus:
Pesumasin:Piirake on paigaldatud esireketilise pesumasina uksele. Seade algab alles siis, kui uks on täielikult suletud ja lüliti aktiveerib vooluahela, mis takistab vee lekke või riiete välja visata.
Külmkapp/ahi:Kui külmkapi uks on suletud, käivitab lüliti sisetule valguse väljalülitamiseks. Vastupidiselt, kui ahju uks ei ole kindlalt suletud, lõikab lüliti soojuse lekke vältimiseks soojuselementide toite.
Vahetama Detailid
