Yueqing Tongda Wire Electric Factory mikrolülitite seeria etalonmudelina on külmiku ja elektrimänguasjade tavaliselt avatud automaatse lähtestamise mikrolüliti põhieelisteks "kõrge tundlikkus, ülipikk eluiga ja mitme stsenaariumiga kohandatavus". Integreerides ettevõtte 35-aastase lülitite tootmise kogemuse, on see tänu oma minimaalsele kontaktivahele ja kiire toimimismehhanismile muutunud kodumasinate, autoelektroonika, tööstusautomaatika ja muude valdkondade võtmekomponentideks. Selle jõudlust ja usaldusväärsust on sertifitseerinud mitmed autoriteetsed organisatsioonid kogu maailmas, tagades selle peavoolu positsiooni nišiturul.
Mikrolüliti tutvustus
HK-14 seeria pakub väga paindlikke kohandamisvõimalusi, et vastata erinevatele rakendusnõuetele. Tööjõudu saab kohandada (alla 5,0 N kangivabas olekus, standardne 30±15 gf), töökäigu vahemikuga 0,6–1,5 mm, mis sobib erinevate käivitusjõu ja nihke stsenaariumide jaoks. Kangi stiilid on kohandatavad, sealhulgas sirged, painutatud ja rullhoovad, mis sobivad erinevate mehaaniliste ülekandestruktuuridega. Kontaktvormid hõlmavad kõiki SPDT (1NO 1NC), NO ja NC valikuid.
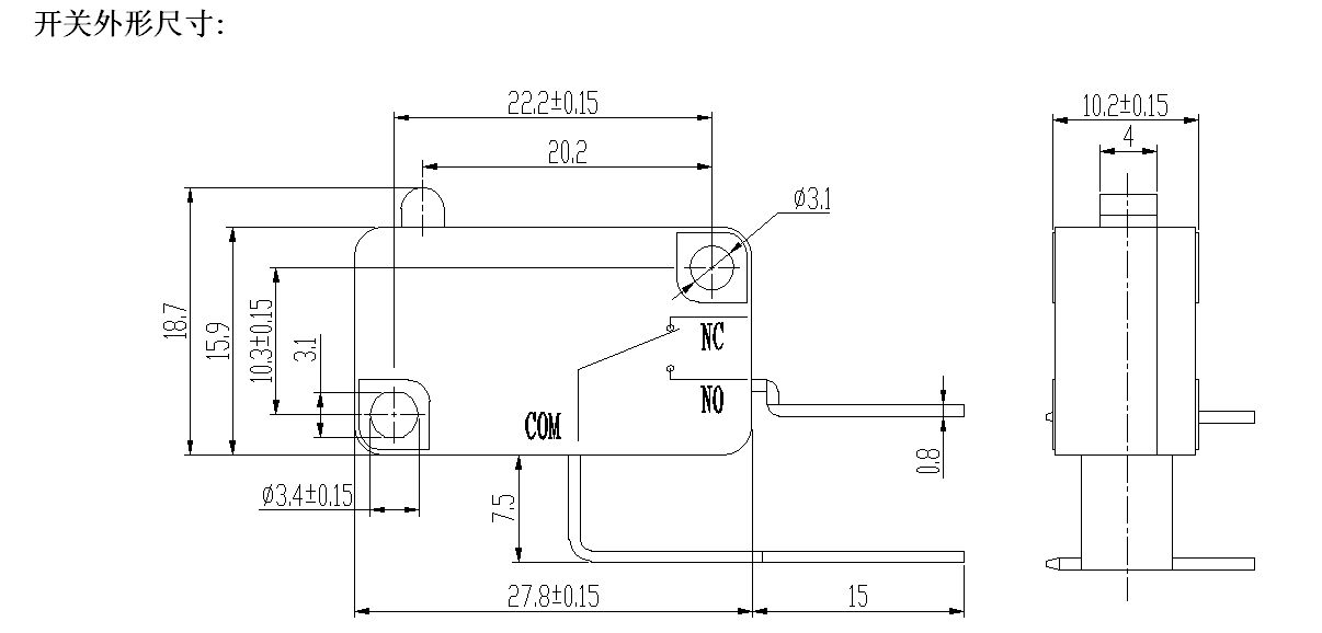
Mikrolüliti parameeter (spetsifikatsioon)
| Lüliti tehnilised omadused: | |||
| ITEM | Tehniline parameeter | Väärtus | |
| 1 | Elektriline reiting | 5(2)A/10A/16(3)A/21(8)A 250VAC | |
| 2 | Kontakti takistus | ≤30mΩ Algväärtus | |
| 3 | Isolatsioonitakistus | ≥100MΩ (500VDC) | |
| 4 |
Dielektriline Pinge |
vahel ühendamata terminalid |
1000V/0,5mA/60S |
|
Terminalide vahel ja metallraam |
3000V/0,5mA/60S | ||
| 5 | Elektriline eluiga | ≥50 000 tsüklit | |
| 6 | Mehaaniline eluiga | ≥1000000 tsüklit | |
| 7 | Töötemperatuur | -25-125 ℃ | |
| 8 | Töösagedus |
elektriline: 15 tsüklit Mehaaniline: 60 tsüklit |
|
| 9 | Vibratsioonikindel |
Vibratsiooni sagedus: 10 ~ 55 HZ; Amplituud: 1,5 mm; Kolm suunda: 1H |
|
| 10 |
Jootmisvõime: Rohkem kui 80% sukeldatud osast tuleb katta joodisega |
Jootetemperatuur: 235±5 ℃ Sukeldumisaeg: 2-3S |
|
| 11 | Joote kuumakindlus |
Sukeljootmine: 260±5℃ 5±1S Käsitsi jootmine: 300±5℃ 2~3S |
|
| 12 | Ohutuskinnitused | UL, CSA, VDE, ENEC, TUV, CE, KC, CQC | |
| 13 | Testimistingimused |
Ümbritsev temperatuur: 20±5 ℃ Suhteline õhuniiskus: 65±5%RH Õhurõhk: 86 ~ 106 KPa |
|
Mikrolüliti funktsioon ja rakendus
Mikrolüliti üksikasjad
