Plastic Magnetic Micro Switch on lülitusseade, mis juhib vooluahela sisse-välja lülitamist magnetvälja signaalide kaudu. Selle põhifunktsioon on kontaktivaba töö, seega on selle eelisteks kiire reageerimine, pikk kasutusiga ja kõrge töökindlus ning seda kasutatakse laialdaselt tööstusautomaatika, turvalisuse, autotööstuse ja nutika kodu valdkonnas.
Mikrolüliti tutvustus
Magnetlüliti on lülitusseade, mis juhib vooluahela sisse-välja lülitamist magnetvälja signaalide kaudu. Selle põhifunktsioon on kontaktivaba töö, seega on selle eelisteks kiire reageerimine, pikk kasutusiga ja kõrge töökindlus ning seda kasutatakse laialdaselt tööstusautomaatika, turvalisuse, autotööstuse ja nutika kodu valdkonnas.
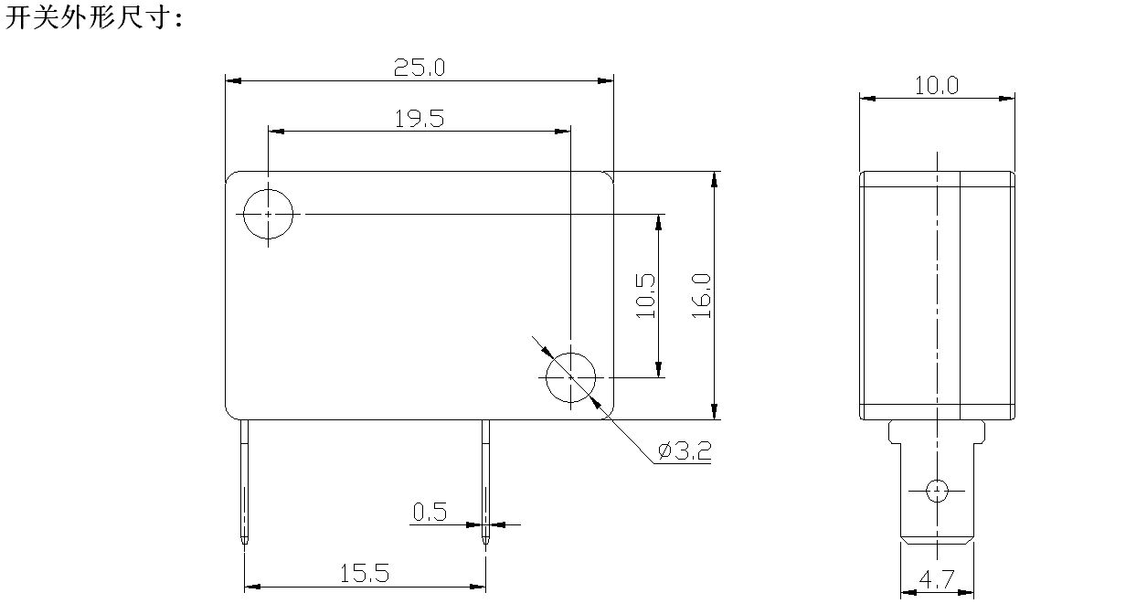
Mikrolüliti parameeter (spetsifikatsioon)
| Lüliti tehnilised omadused: | |||
| ITEM | Tehniline parameeter | Väärtus | |
| 1 | Elektriline reiting | 5(2)A/10A/16(3)A/21(8)A 250VAC | |
| 2 | Kontakti takistus | ≤30mΩ Algväärtus | |
| 3 | Isolatsioonitakistus | ≥100MΩ (500VDC) | |
| 4 |
Dielektriline Pinge |
vahel ühendamata terminalid |
1000V/0,5mA/60S |
|
Terminalide vahel ja metallraam |
3000V/0,5mA/60S | ||
| 5 | Elektriline eluiga | ≥50 000 tsüklit | |
| 6 | Mehaaniline eluiga | ≥1000000 tsüklit | |
| 7 | Töötemperatuur | -25-125 ℃ | |
| 8 | Töösagedus |
elektriline: 15 tsüklit Mehaaniline: 60 tsüklit |
|
| 9 | Vibratsioonikindel |
Vibratsiooni sagedus: 10 ~ 55 HZ; Amplituud: 1,5 mm; Kolm suunda: 1H |
|
| 10 |
Jootmisvõime: Rohkem kui 80% sukeldatud osast tuleb katta joodisega |
Jootetemperatuur: 235±5 ℃ Sukeldumisaeg: 2-3S |
|
| 11 | Joote kuumakindlus |
Sukeljootmine: 260±5℃ 5±1S Käsitsi jootmine: 300±5℃ 2~3S |
|
| 12 | Ohutuskinnitused | UL, CSA, VDE, ENEC, TUV, CE, KC, CQC | |
| 13 | Testimistingimused |
Ümbritsev temperatuur: 20±5 ℃ Suhteline õhuniiskus: 65±5%RH Õhurõhk: 86 ~ 106 KPa |
|
Mikrolüliti funktsioon ja rakendus
Mikrolüliti üksikasjad
