Pistikveeru tüüpi nupu mikrolüliti automaatsetes osades on väike kontaktintervall ja kiire toimimismehhanism ning kontaktmehhanism määratud käigu ja jõuga toimingu vahetamiseks kaetakse kestaga ning välisküljel on käigukast ning kuju on väike.
Toode Sissejuhatususin
Push-to-push mikrolülitid on tavaline elektrooniline komponent, mida kasutatakse vooluringi sisse- ja väljalülitamiseks. Tavaliselt koosneb see nupust ja lülitist, mis muudab nupu vajutamisel olekut.
Pussnuppude lülitid võivad kasutada vilkuvat efekti, kui nuppu vajutatakse, nupp vilgub kasutaja tähelepanu köitmiseks.
Toode Rakendusja spetsifikatsioon
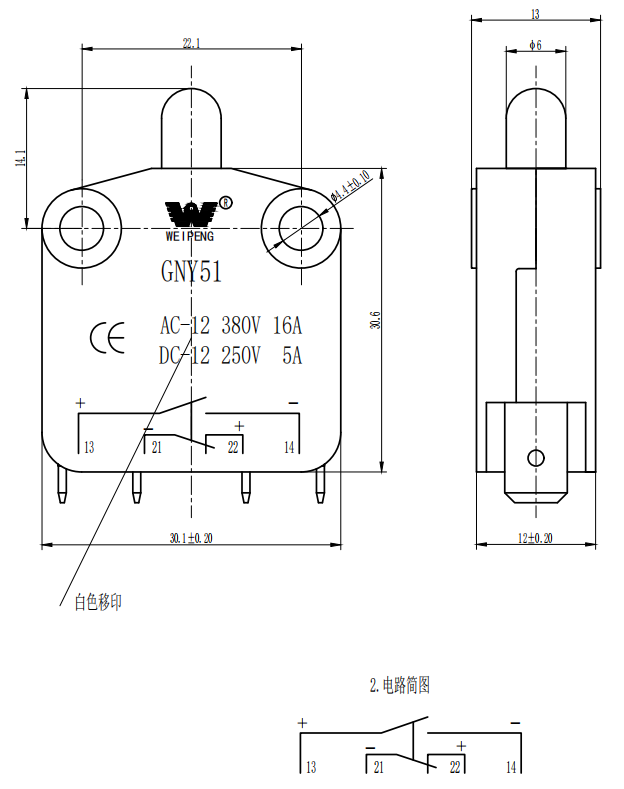
Pistikveeru tüüpi nuppu Mikrolülitid saab kasutada valguse juhtimiseks, nupu vajutamisel lülitub tuli sisse või välja. Seda saab kasutada ka elektriseadmete, kliimaseadmete jms lüliti juhtimiseks. Tööstusvaldkonnas kasutatakse mehaaniliste seadmete alguse ja peatumise juhtimiseks laialdaselt nuppude lülitid. Olgu see siis leibkonna, tööstuslik, autotööstus või elektroonikaseadmed, see on sellest lihtsast kontrollkomponendist lahutamatu.
| Lülitage tehnilised omadused: | |||
| Ese | Tehniline parameeter | Väärtustama | |
| 1 | Elektrihinnang | 16a 250vac | |
| 2 | Kontakttakistus | ≤50MΩ algväärtus | |
| 3 | Isolatsioonitakistus | ≥100MM + (500 VDC) | |
| 4 |
Dielektriline Pinge |
Vahel Ühendatud terminalid |
500 V/0,5 mA/60S |
| Klemmide vahel ja metallraam |
1500 V/0,5 mA/60S | ||
| 5 | Elektrielu | ≥50000 tsüklit | |
| 6 | Mehaaniline elu | ≥100000 tsüklit | |
| 7 | Töötemperatuur | -25 ~ 125 ℃ | |
| 8 | Töösagedus | Elektr: 15 tsüklit Mehaaniline: 60 tsüklit |
|
| 9 | Vibratsiooni tõend | Vibratsioonisagedus: 10 ~ 55Hz; Amplituud: 1,5 mm; Kolm suunda: 1H |
|
| 10 | Joote võime: Enam kui 80% sukeldatud osast tuleb kaetud jootega |
Jootmistemperatuur: 235 ± 5 ℃ Aeg sukelduv: 2 ~ 3s |
|
| 11 | Joote soojustakistus | Dip -jootmine: 260 ± 5 ℃ 5 ± 1S Käsitsi jootmine: 300 ± 5 ℃ 2 ~ 3s |
|
| 12 | Ohutuse kinnitused | Ul 、 csa 、 tuv 、 cqc 、 ce | |
| 13 | Katsetingimused | Ümbritsev temperatuur: 20 ± 5 ℃ Suhteline õhuniiskus: 65 ± 5%RH Õhurõhk: 86 ~ 106 kPa |
|
Toode Detailid


